行业动态

行业动态

行业动态

剪叉式升降平台保养注意事项

剪叉式升降平台,剪叉式升降机保养注意事项.东莞华楠骏业建议液压升降平台保养分月保养和年终保养,不仅可以提前发现故障问题,而且防止重大故障发生,请联系0769-85169577

2017-12-06

06

2017-12

固定式升降平台设备购买指导|订购须知

固定式升降平台设备购买指导|订购须知,是用于建筑物层高间运送货物的专用液压升降机产品主要用各种工作层间货物上下运送,立体车库和地下车库层高间汽车举升等.咨询华楠骏业...

2017-12-04

04

2017-12

液压升降平台液压系统日常维护保养制度

液压升降平台日常维护保养制度,液压系统是升降机械的核心部件,平时我们就要做好日常维护保养,操作人员每天在升降平台使用前,使用中及使用后对设备进行的例行检查,咨询电话0769-85169577

2017-12-01

01

2017-12

导轨式升降货梯使用操作规程

导轨式升降货梯安全操作规程,必须由持证上岗的专职升降机操作人员作业.作业人员在使用前必须熟悉升降平台的性能,并认真阅读使用维护说明书,更多咨询拨打0769-85169577,华楠骏业为您服务

2017-11-30

30

2017-11

移动式升降平台价格表

移动式升降平台价格表,华楠骏业为客户整理了移动式液压升降台价格区间表,如需获取移动升降机的价格详情,可咨询服务热线:0769-85169577,在确定您的使用需求后,我们将会为...

2017-11-28

28

2017-11

剪叉式升降机价格影响因素及厂家选择指导

影响剪叉式升降机价格因素及厂家选择指导,华楠骏业是国内升降机械设备优质工厂,专业生产液压升降机,升降平台等设备,咨询热线0769-85169577

2017-11-25

25

2017-11

为什么液压升降平台有如此大的市场?

为什么液压升降平台有如此大的市场?升降平台具有价格优势,高空作业效率更高,更安全.东莞华楠骏业专业做升降机械,拨打0769-85169577,欢迎您来我厂实地考察订购升降台

2017-11-23

23

2017-11

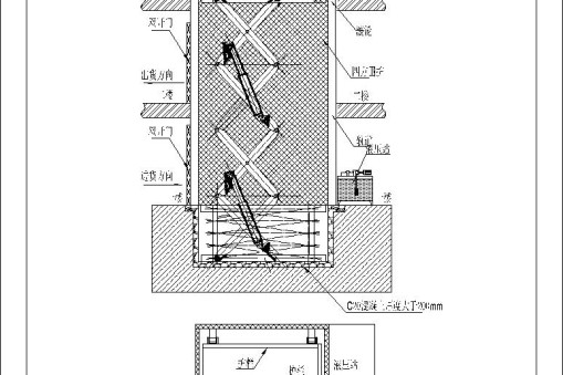
剪叉式液压升降平台结构设计示意图

剪叉式液压升降平台结构设计示意图,剪叉式升降机是常用的升降机械设备,华楠骏业生产的剪叉式升降台有着结构紧凑,运行平稳,噪声小,频响快,传递功率大,易于操作等优点,咨询热线:0769-85169577

2017-11-20

20

2017-11

怎样做好升降货梯液压系统维护记录

升降货梯液压系统维修维护记录,东莞华楠骏业建议客户建立和健全液压升降货梯,升降机设备维护记录制度,可以大大提高工厂货梯设备的使用寿命和工作性能,咨询热线0769-85169577

2017-11-16

16

2017-11

定做导轨式升降货梯厂家哪家好?

定做导轨式升降货梯厂家哪家好?购买质量好,售后服务优质的升降机厂家,东莞华楠骏业专业定做导轨式升降货梯,广泛用于二三层工业厂房,酒楼楼层间的货物运输,咨询热线:0769-85169577

2017-11-14

14

2017-11

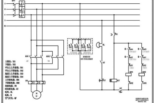
常规的升降货梯控制电路图是怎样的?

升降货梯控制电路图,了解液压升降货梯,导轨式升降货梯控制电路,有助于广大客户更好的选择,使用和维护升降机设备.东莞华楠骏业生产的升降货梯,是一种使用非常广泛的货物垂直...

2017-11-09

09

2017-11

升降货梯电机不转动故障原因及处理方法

升降货梯,导轨式升降货梯电机不转动故障原因及处理方法,升降机厂家东莞华楠骏业工程部给大家总结了以下方法去处理:1,故障原因:控制箱无电源,处理方法:检查电路,电源是否正常...

2017-11-01

01

2017-11

Baidu
map